Header with Multi-Level Dropdown
+1 (347) 480-1903 info@boqpartners.com

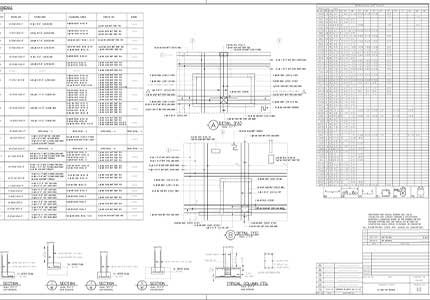
Rebar Estimating

Are you exploring a professional platform to have Rebar estimating services for your construction project? If yes, then BOQ has got you covered. We are here with an expert team of rebar estimators who can easily deliver precise and qualitative Rebar detailing services and Rebar estimating services.

Our Rebar estimating services are quite distinctive among other competitors due to our proficiency in delivering accurate and comprehensive rebar estimate to our wide range of clients. We deal with a wide array of clients and construction projects with efficient results.

Rebar Estimating Services

Rebar estimating services demand experience; thus, BOQ stood competitive among competitors due to its competitive team of Rebar estimators. A steel reinforcing rod effectively strengthens concrete and cast into concrete as an integral part of the construction process. Concrete pricing demands an estimate in which an evaluation of demanding Rebar is involved for a certain construction project. We include the following things while giving our clients fast, accurate quotes.

  • Accessories
  • Materials
  • Erection costs

We will effectively assess your project, point out the schedules that can reliably work best for the different construction project, and have a quick turnaround time.

  • We integrate project management
  • We insight on how to optimize your schedules
  • Our weekly, quarterly progress and assessment of projects can get you updated about your construction project.

Distinctive Prospects of Rebar Estimation

Our comprehensive estimates cover all the required data through a sales estimator that can effectively assist in forecasting the rebar requirements for a fabrication shop. Our estimating is accurate and helpful in eliminating waste and spot the crucial accessories during the whole fabrication process. Our expert rebar estimator fully understands the meaning and importance of producing an error-free bar bending schedule that can easily fit into the concrete framework to avoid rework and cost overruns.

  • Comprehensive estimation summary according to client’s requirement
  • Rebar take off summary
  • The output itself into MS excel, Soule estimation formats, ASA estimation

Are you in search of the professional industrial estimates you can rely on?

Call us at 347 480-1903 to Schedule a meeting

Or just upload plans in the below link, we will review and send a quote in next 5 minutes:

At BOQ, residential estimating is the major portion of the work that we do, serving North American, Caribbean, and Australian regions. In the US, we serve the following markets: New York, New Jersey, Florida, California, North Carolina, Virginia, Washington, Massachusetts, South Carolina, Oregon, Oklahoma, Pennsylvania, Tennessee, Minnesota, Illinois, Texas, Georgia, Arizona, Michigan, Missouri, Colorado, Kentucky, Indiana, Louisiana, Alabama, Maryland, Connecticut, Ohio.

View Our Portfolio

OUR SERVICES

Cost Estimating
  • Outsource Estimating
  • BIM Estimating Services
  • Budget Estimating Services
  • Commercial Estimating
  • Industrial Estimating
  • Residential Estimating Services
  • Preliminary Estimate Services
  • Construction Estimating Consultant
  • Construction Takeoff Services
  • CPM Scheduling Services
  • Dedicated Construction Cost Estimator
  • Freelance Construction Estimating
  • Mechanical Insulation Estimating Services
  • General Contractors
  • Subcontractors
  • Home Builders
  • Architects & Designers
  • Developers
  • Vendors & Suppliers
  • Owners & Investors
Call Us Today
BOQ

+1 (347) 480-1903

info@boqpartners.com

Document